Industry news

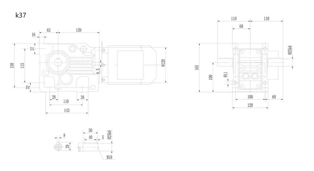
Dimensional drawing of SA series Gearmotors

Writer:tili Time:2022-03-31 10:25:44 Browse:357℃


SA37


SA47


SA57


SA67


SA77


SA87


SA97


LATEST NEWS

CONTACT US

Phone: 0086-18168811055

Tel: 0086-519-83318228

Email: sales@cztili.com

Add: Buyi Industrial Park, Zouqu Town, Zhonglou Changzhou Jiangsu China

Scan the qr codeClose
the qr code